近年来,开关电源以其效率高、体积小、输出稳定性好的优点而迅速发展起来。但是,由于开关电源工作过程中的高频率、高di/dt和高dv/dt使得电磁干扰问题非常突出。国内已经以新的3C认证取代了CCIB和CCEE认证,使得对开关电源在电磁兼容方面的要求更加详细和严格。如今,如何降低甚至消除开关电源的EMI问题已经成为全球开关电源设计师以及电磁兼容(EMC)设计师非常关注的问题。本文讨论了开关电源电磁干扰形成的原因以及常用的 EMI抑制方法。
1 开关电源的干扰源分析
开关电源产生电磁干扰最根本的原因,就是其在工作过程中产生的高di/dt和高dv/dt,它们产生的浪涌电流和尖峰电压形成了干扰源。工频整流滤波使用的大电容充电放电、开关管高频工作时的电压切换、输出整流二极管的反向恢复电流都是这类干扰源。开关电源中的电压电流波形大多为接近矩形的周期波,比如开关管的驱动波形、MOSFET漏源波形等。对于矩形波,周期的倒数决定了波形的基波频率;两倍脉冲边缘上升时间或下降时间的倒数决定了这些边缘引起的频率分量的频率值,典型的值在MHz范围,而它的谐波频率就更高了。这些高频信号都对开关电源基本信号,尤其是控制电路的信号造成干扰。
开关电源的电磁噪声从噪声源来说可以分为两大类。一类是外部噪声,例如,通过电网传输过来的共模和差模噪声、外部电磁辐射对开关电源控制电路的干扰等。另一类是开关电源自身产生的电磁噪声,如开关管和整流管的电流尖峰产生的谐波及电磁辐射干扰。
如图1所示,电网中含有的共模和差模噪声对开关电源产生干扰,开关电源在受到电磁干扰的同时也对电网其他设备以及负载产生电磁干扰(如图中的返回噪声、输出噪声和辐射干扰)。进行开关电源EMI/EMC设计时一方面要防止开关电源对电网和附近的电子设备产生干扰,另一方面要加强开关电源本身对电磁骚扰环境的适应能力。下面具体分析开关电源噪声产生的原因和途径。

图1 开关电源噪声类型图
1.1 电源线引入的电磁噪声
电源线噪声是电网中各种用电设备产生的电磁骚扰沿着电源线传播所造成的。电源线噪声分为两大类:共模干扰、差模干扰。共模干扰(Common-mode Interference)定义为任何载流导体与参考地之间的不希望有的电位差;差模干扰(Differential-mode Interference)定义为任何两个载流导体之间的不希望有的电位差。两种干扰的等效电路如图2[1]所示。图中CP1为变压器初、次级之间的分布电容,CP2为开关电源与散热器之间的分布电容(即开关管集电极与地之间的分布电容)。

(a)共模干扰

(b)差模干扰
图2(a)所示,开关管V1由导通变为截止状态时,其集电极电压突升为高电压,这个电压会引起共模电流Icm2向CP2充电和共模电流Icm1向CP1充电,分布电容的充电频率即开关电源的工作频率。则线路中共模电流总大小为(Icm1+Icm2)。如图2(b)所示,当V1导通时,差模电流Idm和信号电流IL沿着导线、变压器初级、开关管组成的回路流通。由等效模型可知,共模干扰电流不通过地线,而通过输入电源线传输。而差模干扰电流通过地线和输入电源线回路传输。所以,我们设置电源线滤波器时要考虑到差模干扰和共模干扰的区别,在其传输途径上使用差模或共模滤波元件抑制它们的干扰,以达到最好的滤波效果。
1.2 输入电流畸变造成的噪声
开关电源的输入普遍采用桥式整流、电容滤波型整流电源。如图3所示,在没有PFC功能的输入级,由于整流二极管的非线性和滤波电容的储能作用,使得二极管的导通角变小,输入电流i成为一个时间很短、峰值很高的周期性尖峰电流。这种畸变的电流实质上除了包含基波分量以外还含有丰富的高次谐波分量。这些高次谐波分量注入电网,引起严重的谐波污染,对电网上其他的电器造成干扰。为了控制开关电源对电网的污染以及实现高功率因数,PFC电路是不可或缺的部分。

图3 未加PFC电路的输入电流和电压波形
1.3 开关管及变压器产生的干扰
主开关管是开关电源的核心器件,同时也是干扰源。其工作频率直接与电磁干扰的强度相关。随着开关管的工作频率升高,开关管电压、电流的切换速度加快,其传导干扰和辐射干扰也随之增加。此外,主开关管上反并联的钳位二极管的反向恢复特性不好,或者电压尖峰吸收电路的参数选择不当也会造成电磁干扰。
开关电源工作过程中,由初级滤波大电容、高频变压器初级线圈和开关管构成了一个高频电流环路。该环路会产生较大的辐射噪声。开关回路中开关管的负载是高频变压器初级线圈,它是一个感性的负载,所以,开关管通断时在高频变压器的初级两端会出现尖峰噪声。轻者造成干扰,重者击穿开关管。主变压器绕组之间的分布电容和漏感也是引起电磁干扰的重要因素。
1.4 输出整流二极管产生的干扰
理想的二极管在承受反向电压时截止,不会有反向电流通过。而实际二极管正向导通时,PN结内的电荷被积累,当二极管承受反向电压时,PN结内积累的电荷将释放并形成一个反向恢复电流,它恢复到零点的时间与结电容等因素有关。反向恢复电流在变压器漏感和其他分布参数的影响下将产生较强烈的高频衰减振荡。因此,输出整流二极管的反向恢复噪声也成为开关电源中一个主要的干扰源。可以通过在二极管两端并联RC缓冲器,以抑制其反向恢复噪声。
1.5 分布及寄生参数引起的开关电源噪声
开关电源的分布参数是多数干扰的内在因素,开关电源和散热器之间的分布电容、变压器初次级之间的分布电容、原副边的漏感都是噪声源。共模干扰就是通过变压器初、次级之间的分布电容以及开关电源与散热器之间的分布电容传输的。其中变压器绕组的分布电容与高频变压器绕组结构、制造工艺有关。可以通过改进绕制工艺和结构、增加绕组之间的绝缘、采用法拉第屏蔽等方法来减小绕组间的分布电容。而开关电源与散热器之间的分布电容与开关管的结构以及开关管的安装方式有关。采用带有屏蔽的绝缘衬垫可以减小开关管与散热器之间的分布电容。
如图4所示,在高频工作下的元件都有高频寄生特性[2],对其工作状态产生影响。高频工作时导线变成了发射线、电容变成了电感、电感变成了电容、电阻变成了共振电路。观察图4中的频率特性曲线可以发现,当频率过高时各元件的频率特性产生了相当大的变化。为了保证开关电源在高频工作时的稳定性,设计开关电源时要充分考虑元件在高频工作时的特性,选择使用高频特性比较好的元件。另外,在高频时,导线寄生电感的感抗显著增加,由于电感的不可控性,最终使其变成一根发射线。也就成为了开关电源中的辐射干扰源。

图4 高频工作下的元件频率特性
2 开关电源EMI抑制措施
电磁兼容的三要素是干扰源、耦合通路和敏感体,抑制以上任何一项都可以减少电磁干扰问题。开关电源工作在高电压大电流的高频开关状态时,其引起的电磁兼容性问题是比较复杂的。但是,仍符合基本的电磁干扰模型,可以从三要素入手寻求抑制电磁干扰的方法。
2.1 抑制开关电源中各类电磁干扰源
为了解决输入电流波形畸变和降低电流谐波含量,开关电源需要使用功率因数校正(PFC)技术。PFC技术使得电流波形跟随电压波形,将电流波形校正成近似的正弦波。从而降低了电流谐波含量,改善了桥式整流电容滤波电路的输入特性,同时也提高了开关电源的功率因数。
软开关技术是减小开关器件损耗和改善开关器件电磁兼容特性的重要方法。开关器件开通和关断时会产生浪涌电流和尖峰电压,这是开关管产生电磁干扰及开关损耗的主要原因。使用软开关技术使开关管在零电压、零电流时进行开关转换可以有效地抑制电磁干扰。使用缓冲电路吸收开关管或高频变压器初级线圈两端的尖峰电压也能有效地改善电磁兼容特性。
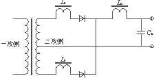
输出整流二极管的反向恢复问题可以通过在输出整流管上串联一个饱和电感来抑制,如图5所示,饱和电感Ls与二极管串联工作。饱和电感的磁芯是用具有矩形BH曲线的磁性材料制成的。同磁放大器使用的材料一样,这种磁芯做的电感有很高的磁导率,该种磁芯在BH曲线上拥有一段接近垂直的线性区并很容易进入饱和。实际使用中,在输出整流二极管导通时,使饱和电感工作在饱和状态下,相当于一段导线;当二极管关断反向恢复时,使饱和电感工作在电感特性状态下,阻碍了反向恢复电流的大幅度变化,从而抑制了它对外部的干扰。

图5 饱和电感在减小二极管反向恢复电流中的应用
2.2 切断电磁干扰传输途径——共模、差模电源线滤波器设计
电源线干扰可以使用电源线滤波器滤除,开关电源EMI滤波器基本电路如图6所示。一个合理有效的开关电源EMI滤波器应该对电源线上差模干扰和共模干扰都有较强的抑制作用。在图6中CX1和CX2叫做差模电容,L1叫做共模电感,CY1和CY2叫做共模电容。差模滤波元件和共模滤波元件分别对差模和共模干扰有较强的衰减作用。
共模电感L1是在同一个磁环上由绕向相反、匝数相同的两个绕组构成。通常使用环形磁芯,漏磁小,效率高,但是绕线困难。当市网工频电流在两个绕组中流过时为一进一出,产生的磁场恰好抵消,使得共模电感对市网工频电流不起任何阻碍作用,可以无损耗地传输。如果市网中含有共模噪声电流通过共模电感,这种共模噪声电流是同方向的,流经两个绕组时,产生的磁场同相叠加,使得共模电感对干扰电流呈现出较大的感抗,由此起到了抑制共模干扰的作用。L1的电感量与EMI滤波器的额定电流I有关,具体关系参见表1所列。
表1 电感量范围与额定电流的关系[4]

实际使用中共模电感两个电感绕组由于绕制工艺的问题会存在电感差值,不过这种差值正好被利用作差模电感。所以,一般电路中不必再设置独立的差模电感了。共模电感的差值电感与电容CX1及CX2构成了一个∏型滤波器。这种滤波器对差模干扰有较好的衰减。
除了共模电感以外,图6中的电容CY1及CY2也是用来滤除共模干扰的。共模滤波的衰减在低频时主要由电感器起作用,而在高频时大部分由电容CY1及CY2起作用。电容CY的选择要根据实际情况来定,由于电容CY接于电源线和地线之间,承受的电压比较高,所以,需要有高耐压、低漏电流特性。计算电容CY漏电流的公式是
ID=2πfCYVcY
式中:ID为漏电流;
f为电网频率。
一般装设在可移动设备上的滤波器,其交流漏电流应<1mA;若为装设在固定位置且接地的设备上的电源滤波器,其交流漏电流应<3.5mA,医疗器材规定的漏电流更小。由于考虑到漏电流的安全规范,电容CY的大小受到了限制,一般为2.2~33nF。电容类型一般为瓷片电容,使用中应注意在高频工作时电容器CY与引线电感的谐振效应。
差模干扰抑制器通常使用低通滤波元件构成,最简单的就是一只滤波电容接在两根电源线之间而形成的输入滤波电路(如图6中电容CX1),只要电容选择适当,就能对高频干扰起到抑制作用。该电容对高频干扰阻抗甚底,故两根电源线之间的高频干扰可以通过它,它对工频信号的阻抗很高,故对工频信号的传输毫无影响。该电容的选择主要考虑耐压值,只要满足功率线路的耐压等级,并能承受可预料的电压冲击即可。为了避免放电电流引起的冲击危害,CX电容容量不宜过大,一般在0.01~0.1μF之间。电容类型为陶瓷电容或聚酯薄膜电容。
![开关电源EMI滤波器[3]](/uploads/allimg/130817/1-130QH0194D11.jpg)
图6 开关电源EMI滤波器[3]
2.3 使用屏蔽降低电磁敏感设备的敏感性
抑制辐射噪声的有效方法就是屏蔽。可以用导电性能良好的材料对电场进行屏蔽,用磁导率高的材料对磁场进行屏蔽。为了防止变压器的磁场泄露,使变压器初次级耦合良好,可以利用闭合磁环形成磁屏蔽,如罐型磁芯的漏磁通就明显比E型的小很多。开关电源的连接线,电源线都应该使用具有屏蔽层的导线,尽量防止外部干扰耦合到电路中。或者使用磁珠、磁环等EMC元件,滤除电源及信号线的高频干扰,但是,要注意信号频率不能受到EMC元件的干扰,也就是信号频率要在滤波器的通带之内。整个开关电源的外壳也需要有良好的屏蔽特性,接缝处要符合EMC规定的屏蔽要求。通过上述措施保证开关电源既不受外部电磁环境的干扰也不会对外部电子设备产生干扰。
3 结语
如今在开关电源体积越来越小,功率密度越来越大的趋势下。EMI/EMC问题成为了开关电源稳定性的一个关键因素,也是一个最容易忽视的方面。开关电源的 EMI抑制技术在开关电源设计中占有很重要的位置。实践证明,EMI问题越早考虑、越早解决,费用越小、效果越好。